সম্ভাব্য ট্রান্সফরমার PT
সাবস্টেশনে 13.8 কেভি একক ফেজ সম্ভাব্য ট্রান্সফরমার
  • সাবস্টেশনে 13.8 কেভি একক ফেজ সম্ভাব্য ট্রান্সফরমারসাবস্টেশনে 13.8 কেভি একক ফেজ সম্ভাব্য ট্রান্সফরমার

সাবস্টেশনে 13.8 কেভি একক ফেজ সম্ভাব্য ট্রান্সফরমার

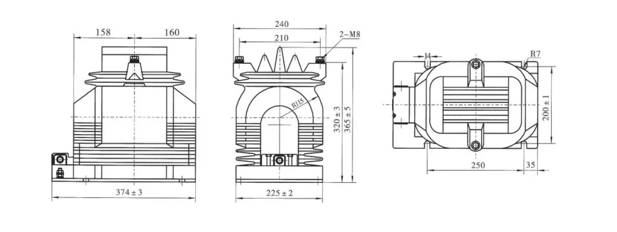
সাবস্টেশনে একটি নির্ভরযোগ্য 13.8 kv একক ফেজ সম্ভাব্য ট্রান্সফরমার তৈরি করতে, ওয়েনঝো XiFa ইলেকট্রিক পাওয়ার ইকুইপমেন্ট কোং, লিমিটেড ক্ষতির মান কমাতে এবং নির্ভুলতা শ্রেণী উন্নত করতে মূল উপাদান হিসাবে প্রিমিয়াম CRGO বৈদ্যুতিক ইস্পাত গ্রহণ করে এবং কয়েলের প্রধান উপাদান হিসাবে উচ্চ শক্তির এনামেলযুক্ত তামার তারকে টার্নিং প্রিসিওলেশন এবং টার্নিং নিশ্চিত করতে কয়েলের প্রধান উপাদান হিসাবে গ্রহণ করে। আরও, সাবস্টেশনে প্রতিটি 13.8 কেভি সিঙ্গেল ফেজ সম্ভাব্য ট্রান্সফরমার একটি সামগ্রিক দৃঢ় কাঠামো তৈরি করতে ইপোক্সি রেজিন ভ্যাকুয়াম ঢালাইয়ের উত্পাদন প্রক্রিয়া গ্রহণ করে যা আর্দ্রতা শোষণ করা সহজ নয়, যা গরম, আর্দ্র এবং ধুলোময় পরিবেশের জন্য উপযুক্ত।

পণ্য বৈশিষ্ট্য:

সাবস্টেশনে একটি 13.8 কেভি সিঙ্গল ফেজ পটেনশিয়াল ট্রান্সফরমার 13.8 কেভির প্রাথমিক ভোল্টেজকে একটি স্ট্যান্ডার্ড সেকেন্ডারি ভোল্টেজে নামানোর জন্য ডিজাইন করা হয়েছে, যেমন 100 বা 110 ভোল্ট। হ্রাসকৃত ভোল্টেজ তারপর যন্ত্র এবং প্রতিরক্ষামূলক রিলে পরিমাপের জন্য সমান্তরাল উইন্ডিংগুলিতে সরবরাহ করা হয়, যা প্রাথমিক ভোল্টেজ পরিমাপকে কম ভোল্টেজের যন্ত্রের সাহায্যে পরোক্ষভাবে তৈরি করতে সক্ষম করে। এই ধরনের পদ্ধতি যন্ত্রের নকশাকে সহজ করে, খরচ সাশ্রয় করে এবং উভয় সরঞ্জাম এবং অপারেটিং কর্মীদের নিরাপত্তা নিশ্চিত করে।


একটি 13.8 kv সিঙ্গেল ফেজ সম্ভাব্য ট্রান্সফরমারের কাজের নীতিটি একটি পাওয়ার ডিস্ট্রিবিউশন ট্রান্সফরমারের মতোই, যার মধ্যে রূপান্তর অনুপাত প্রাথমিক এবং মাধ্যমিক কয়েলের বাঁকগুলির সংখ্যা দ্বারা নির্ধারিত হয়। গৌণ মোড়ের সংখ্যা বাড়ানো অনুপাতকে হ্রাস করে, যখন প্রাথমিক বাঁকের সংখ্যা বৃদ্ধি করে। এটি লক্ষ্য করা গুরুত্বপূর্ণ যে কোন অবস্থাতেই একটি 13.8 kv সিঙ্গেল ফেজ সম্ভাব্য ট্রান্সফরমারের সেকেন্ডারি সার্কিট অপারেশন চলাকালীন শর্ট সার্কিট করা উচিত নয়৷

13 8 Kv Single Phase Potential Transformer In Substation

প্রযুক্তিগত স্পেসিফিকেশন:

টাইপ রেটেড ভোল্টেজ অনুপাত (kV) নির্ভুলতা ক্লাস নির্ভুলতা ক্লাস এবং রেট আউটপুট cosΦ=0.8 সর্বোচ্চ আউটপুট (VA)
0.2 0.5 1 6(P)
JDZ11-15 (15/√3)/(0.1/√3)/(0.1/3) 0.2/6P 0.5/6P 1/6P 30 80 150 100 400
JDZ11-20 (20/√3)/(0.1/√3)/(0.1/3)
JDZ11-15 (15/√3)/(0.1/√3)/(0.1/√3)/(0.1/3) 0.2/0.2/6P 0.2/0.5/6P 15 20 N/A 100 2*200
JDZX11-20 (20/√3)/(0.1/√3)/(0.1/√3)/(0.1/3)

13 8 Kv Single Phase Potential Transformer In Substation

পণ্য FAQ:

প্রশ্ন: কিভাবে একটি 13.8 kv একক ফেজ সম্ভাব্য ট্রান্সফরমার একটি 13.8 kv পাওয়ার ট্রান্সফরমার থেকে আলাদা?

উত্তর: যদিও উভয়ই ভোল্টেজ রূপান্তরকারী ডিভাইস, একটি 13.8 kv একক ফেজ সম্ভাব্য ট্রান্সফরমার পাওয়ার ট্রান্সফারের পরিবর্তে পরিমাপ এবং সুরক্ষার জন্য ডিজাইন করা হয়েছে। এর রেট করা বোঝা তুলনামূলকভাবে ছোট, সাধারণত VA তে প্রকাশ করা হয়, যেখানে পাওয়ার ট্রান্সফরমারগুলি একটি বড় মানের লোড পরিচালনা করে যা kVA বা MVA তে গণনা করা হয়।


প্রশ্ন: একটি 13.8 kv একক ফেজ সম্ভাব্য ট্রান্সফরমারে কোন নিরোধক পদ্ধতি ব্যবহার করা হয়?

উঃ অধিকাংশসম্ভাব্য ট্রান্সফরমারএই ভোল্টেজ স্তরে ইনডোর পরিষেবার জন্য ইপোক্সি রজন ঢালাই নিরোধক বা বহিরঙ্গন ইনস্টলেশনের জন্য চীনামাটির বাসন/সিলিকন হাউজিং নিয়োগ করুন। কিছু ডিজাইন বর্ধিত পরিষেবা জীবন এবং উচ্চ তাপ ক্ষমতা অর্জনের জন্য তেল নিমজ্জিত নিরোধক ব্যবহার করে।


প্রশ্নঃ কিভাবে একটি সাবস্টেশনে 13.8 kV সিঙ্গেল ফেজ সম্ভাব্য ট্রান্সফরমার সংযুক্ত করা উচিত?

উত্তর: ফেজ থেকে গ্রাউন্ড পরিমাপের জন্য, পিটি প্রাইমারি একটি ফেজ এবং গ্রাউন্ডের মধ্যে সংযুক্ত থাকে। একটি থ্রি ফেজ সিস্টেমে, লাইন থেকে লাইন এবং লাইন থেকে গ্রাউন্ড ভোল্টেজ পরিমাপ করতে একক ফেজ পিটি বা তিন ফেজ পিটি ইউনিটের একটি সেট ব্যবহার করা যেতে পারে।


প্রশ্ন: সাবস্টেশনগুলিতে 13.8 কেভি একক ফেজ সম্ভাব্য ট্রান্সফরমারগুলির সাথে কী সমস্যা দেখা দিতে পারে?

উত্তর: সাধারণ সমস্যাগুলির মধ্যে রয়েছে ইনসুলেশনের অবনতি, নির্দিষ্ট সুইচিং অবস্থার অধীনে ফেরেরসোন্যান্স, অতিরিক্ত বোঝার কারণে অতিরিক্ত গরম হওয়া এবং সেকেন্ডারি সার্কিট খোলা অবস্থা যা বিপজ্জনকভাবে উচ্চ ভোল্টেজের কারণ হতে পারে।



হট ট্যাগ: সাবস্টেশন সরবরাহকারীতে 13.8 কেভি সিঙ্গেল ফেজ সম্ভাব্য ট্রান্সফরমার, সাবস্টেশন সম্ভাব্য ট্রান্সফরমার পাইকারি
অনুসন্ধান পাঠান
যোগাযোগের তথ্য
  • ঠিকানা

    নং 391, জিংকি রোড, ইয়ানপান ইন্ডাস্ট্রিয়াল জোন, ইউকিং সিটি, ঝেজিয়াং প্রদেশ, চীন

  • টেলিফোন

    +86-577-62731111

  • ই-মেইল

    info@xifaele.com

যত তাড়াতাড়ি সম্ভব আপনার উদ্ধৃতি পেতে

XiFa- আপনার নির্ভরযোগ্য বৈদ্যুতিক সরঞ্জাম সরবরাহকারী
সংবাদ সুপারিশ
X
আমরা আপনাকে একটি ভাল ব্রাউজিং অভিজ্ঞতা দিতে, সাইটের ট্র্যাফিক বিশ্লেষণ করতে এবং সামগ্রী ব্যক্তিগতকৃত করতে কুকিজ ব্যবহার করি। এই সাইটটি ব্যবহার করে, আপনি আমাদের কুকিজ ব্যবহারে সম্মত হন। গোপনীয়তা নীতি
প্রত্যাখ্যান করুন গ্রহণ করুন