বর্তমান ট্রান্সফরমার সিটি
ক্ষতের ধরন 5p10 5p20 Ct 100 150 400 5a
  • ক্ষতের ধরন 5p10 5p20 Ct 100 150 400 5aক্ষতের ধরন 5p10 5p20 Ct 100 150 400 5a

ক্ষতের ধরন 5p10 5p20 Ct 100 150 400 5a

উচ্চ মানের সম্ভাব্য ট্রান্সফরমার এবং বর্তমান ট্রান্সফরমার সরবরাহ করতে, Wenzhou XiFa ইলেকট্রিক পাওয়ার ইকুইপমেন্ট কোং লিমিটেড ক্লায়েন্টদের কাস্টমাইজড পরিষেবা সমর্থন করে যেমন ক্ষত টাইপ 5p10 5p20 ct 100 150 400 5a উত্পাদন এবং সরবরাহ করে। WenZhou XiFa ইলেক্ট্রিকে, উৎপাদনকারী দল দ্রুত ডেলিভারি নিশ্চিত করতে নিয়মিত টাইপ কারেন্ট ট্রান্সফরমার, যেমন 100/5a 10p10 0.5 কারেন্ট ট্রান্সফরমারের জন্য ইনভেন্টরি রাখে। যাইহোক, কোম্পানি বিভিন্ন বিদ্যুতের চাহিদা মেটাতে কাস্টমাইজড পরিষেবা সমর্থন করে যেমন সাপ্লাই কারেন্ট ট্রান্সফরমার যার সুরক্ষা ক্লাস 5p10 বা 5p20।

ক্ষত টাইপ কারেন্ট ট্রান্সফরমারটি 10kv 20kv এবং 35kv এর মতো মাঝারি ভোল্টেজ পাওয়ার সিস্টেমে নির্ভরযোগ্য বর্তমান পরিমাপ এবং সুরক্ষার জন্য ডিজাইন করা হয়েছে। 100/5A, 150/5A, এবং 400/5A-এর বর্তমান অনুপাতে পাওয়া যায় এবং 5P10 এবং 5P20 এর সুরক্ষা নির্ভুলতা ক্লাস সহ, এই ক্ষত টাইপ 5p10 5p20 ct 100 150 400 5a সুনির্দিষ্ট সেকেন্ডারি অ্যাপ্লিকেশান এবং কারেন্ট আউটপুট উভয়ই সুরক্ষিত করার জন্য সুনির্দিষ্ট প্রদান করে।

কঠিন চৌম্বকীয় কোর এবং সেকেন্ডারি কয়েল দিয়ে তৈরি, ক্ষত টাইপ বর্তমান ট্রান্সফরমার শর্ট সার্কিট অবস্থার অধীনে স্থিতিশীল কর্মক্ষমতা নিশ্চিত করে এবং ক্ষণস্থায়ী ঘটনার সময়ও সঠিক বর্তমান রূপান্তর প্রদান করে। এর শক্তিশালী নিরোধক ব্যবস্থা, প্রায়শই ইপোক্সি বা উচ্চ গ্রেড রজন অন্তর্ভুক্ত করে, সুরক্ষা, দীর্ঘ পরিষেবা জীবন এবং আর্দ্রতা এবং পরিবেশগত চাপের প্রতিরোধ নিশ্চিত করে।

ক্ষত টাইপ ডিজাইন সুইচগিয়ার, কন্ট্রোল প্যানেল এবং ডিস্ট্রিবিউশন বোর্ডে নমনীয় ইনস্টলেশনের অনুমতি দেয়, যাতে রিলে সুরক্ষা স্কিমগুলির জন্য নির্ভরযোগ্য সহায়তা প্রদান করা যায়। ক্ষত টাইপ কারেন্ট ট্রান্সফরমার শিল্প কারখানা, বাণিজ্যিক সুবিধা এবং ইউটিলিটি ডিস্ট্রিবিউশন নেটওয়ার্কের জন্য আদর্শ যেখানে অপারেশনাল মনিটরিং এবং প্রতিরক্ষামূলক নিয়ন্ত্রণ উভয়ের জন্য সঠিক এবং নির্ভরযোগ্য বর্তমান পরিমাপ অপরিহার্য।

Wound Type 5p10 5p20 Ct 100 150 400 5a

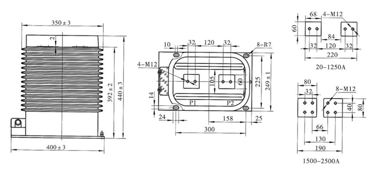
প্রযুক্তিগত স্পেসিফিকেশন:

টাইপ প্রাথমিক রেট করা বর্তমান (A) নির্ভুলতা ক্লাস নির্ভুলতা ক্লাস এবং রেট আউটপুট cosΦ=0.8 শোরি-টাইম থার্মাল কারেন্ট (kA/S) রেট করা ডায়নামিক কারেন্ট (kA)
0.2 (গুলি) 0.5 (গুলি) 10P10
LZZBJ9-35 20-100 0.2/0.2 0.2/0.5 0.2/5P20 0.5/5P20 0.2/0.5/5P 0.2/5P/5P 10 10 15 150I1n 375I1n
150-200 31.5 80
300-500 31.5/2 80
600-1250 15 30 20 31.5/4 80
1500-2000 20 40 30 40/4 125
2500 20 40 20 40/4 125


টাইপ প্রাথমিক রেট করা বর্তমান (A) নির্ভুলতা ক্লাস ক্ষমতা (VA) শোরি-টাইম থার্মাল কারেন্ট (kA/S) রেট করা ডায়নামিক কারেন্ট (kA)
LZZBJ9-35 10 0.2/10P10 0.5/10P10 0.2/5P20 0.5/5P20 0.2/0.5/10P10 0.2/0.5/5P20 0.2/10P10/5P20 0.5/10P10/5P20 15/20 20/20 15/20 20/20 15/20/20 15/20/20 15/20/20 20/20/20 1.5/1 3.75
20 2/1 5
30 3/1 7.5
40 4/1 10
50 5/1 12.5
75 7.5/1 18.75
100 10/1 25
150 15/1 37.5
200 20/1 50
300 31.5/1 80
400 31.5/2 80
500 31.5/2 80
600 31.5/2 80
800 31.5/3 80
1000 31.5/3 80
1200 31.5/3 80
1500 31.5/3 80
2000 31.5/3 80

Wound Type 5p10 5p20 Ct 100 150 400 5a

পণ্য FAQ:

প্রশ্ন: একটি ক্ষত টাইপ 5p10 5p20 ct 100 150 400 5a-তে "ক্ষত-টাইপ 5P10" বা "5P20" বলতে কী বোঝায়?

উত্তর: "ক্ষত-প্রকার" শব্দটি CT-কে বোঝায় যেখানে প্রাথমিক পরিবাহী হল একটি বাসবার বা কোরের মধ্য দিয়ে বার না করে একটি ক্ষতবিন্দু। শ্রেণী 5P10 বা 5P20 সুরক্ষা নির্ভুলতা নির্দেশ করে: 5P মানে রেট করা সেকেন্ডারি কারেন্টে 5% পর্যন্ত ত্রুটি, এবং 10 বা 20 নম্বরটি নির্দিষ্ট ত্রুটি অতিক্রম না করে রেট করা প্রাথমিক কারেন্টের সর্বাধিক অনুমোদিত স্বল্প সময়ের গুণিতক।

প্রশ্ন: আমি কীভাবে আমার সিস্টেমের জন্য সঠিক সিটি রেটিং বেছে নেব?

উত্তর: আপনার সিস্টেমের সর্বাধিক লোড বর্তমান এবং সুরক্ষা প্রয়োজনীয়তার উপর ভিত্তি করে একটি CT নির্বাচন করুন। উদাহরণস্বরূপ, একটি 100/5A CT 100 A এর কাছাকাছি সাধারণ স্রোত সহ সার্কিটের জন্য উপযুক্ত, যখন 400/5A উচ্চ-কারেন্ট ফিডারগুলির জন্য ডিজাইন করা হয়েছে। রিলে এর ত্রুটি সনাক্তকরণ সংবেদনশীলতা এবং প্রত্যাশিত শর্ট সার্কিট কারেন্ট অনুযায়ী একটি সুরক্ষা শ্রেণী (5P10 বা 5P20) চয়ন করুন।

প্রশ্ন: কোন পরিবেশগত অবস্থা 5p10 5p20 ct 100 150 400 5a হ্যান্ডেল টাইপ ঘা করতে পারে?

উত্তর: এই ক্ষত ধরনের বর্তমান ট্রান্সফরমারগুলি সাধারণত -10 °C থেকে +40 °C পর্যন্ত পরিবেষ্টিত তাপমাত্রার জন্য রেট করা হয়, যার সর্বোচ্চ উচ্চতা 1000 মিটার। হাউজিং উপকরণ এবং নিরোধক সিস্টেমগুলি আর্দ্রতা, ধুলো এবং দূষণ প্রতিরোধী অপারেশনের জন্য ডিজাইন করা হয়েছে, যাতে শিল্প এবং ইউটিলিটি সেটিংসে নির্ভরযোগ্য সুরক্ষা কার্যকারিতা নিশ্চিত করা যায়।




হট ট্যাগ: ক্ষতের ধরন 5p10 5p20 Ct 100 150 400 5a, বর্তমান ট্রান্সফরমার সরবরাহকারী, মিটারিং ট্রান্সফরমার পাইকারি
অনুসন্ধান পাঠান
যোগাযোগের তথ্য
  • ঠিকানা

    নং 391, জিংকি রোড, ইয়ানপান ইন্ডাস্ট্রিয়াল জোন, ইউকিং সিটি, ঝেজিয়াং প্রদেশ, চীন

  • টেলিফোন

    +86-577-62731111

  • ই-মেইল

    info@xifaele.com

যত তাড়াতাড়ি সম্ভব আপনার উদ্ধৃতি পেতে

XiFa- আপনার নির্ভরযোগ্য বৈদ্যুতিক সরঞ্জাম সরবরাহকারী
X
আমরা আপনাকে একটি ভাল ব্রাউজিং অভিজ্ঞতা দিতে, সাইটের ট্র্যাফিক বিশ্লেষণ করতে এবং সামগ্রী ব্যক্তিগতকৃত করতে কুকিজ ব্যবহার করি। এই সাইটটি ব্যবহার করে, আপনি আমাদের কুকিজ ব্যবহারে সম্মত হন। গোপনীয়তা নীতি
প্রত্যাখ্যান করুন গ্রহণ করুন